مقدمه
در سالهاي اخیر در مقالات علمی روش هاي شناسایی جزیره متعددي پیشنهاد شده اند و بسیاري از آنها در پروژه هاي عملی تولیدات پراکنده اجرائی شده اند. تعدادي هم در سیستم کنترلی تولیدات پراکنده اینورتري جا داده شده اند. قبل از اینکه یک مدل حفاظت در برابر جزیره انتخاب شود، بررسی ویژگی هاي ژنراتورهاي پراکنده حیاتی است. تولیدات پراکنده در سه دسته زیر طبقه بندي می گردند.
- ژنراتورهاي سنکرون: این دسته اصولاً به فیدرهاي اولیه اتصال می یابند. انداز ه ي آنها بعضا بیش از 30 مگاوات است. ژنراتورهاي سنکرون توانایی ادامه عملکرد در شرایط جزیره را دارند. به این معنا که توانایی تزریق توان اکتیو یا راکتیو به شبکه اي از بارهاي الکتریکی ر ا دارند.
-ژنراتورهاي القائی: این دسته هم اصولاً به فیدرهاي اولیه وصل می شوند. اندازه آنها معمولاً بزرگ است( براي مثال 10 تا 20 مگاوات). با این حال ژنراتورهاي القائی توانایی ادامه عملکرد در شرایط جزیره را ندارند. به این علت که آنها مصرف کننده توان راکتیو شب که قدرت هستند. بنابراین به حفاظت جزیره براي ژنراتورهاي القائی نیازي نیست.
-ژنراتورهاي مبتنی بر اینورتر 1: این نوع ژنراتورها به ثانویه ولتاژ پایین فیدرها وصل می شوند زیرا اندازه آنها نسبتاً کوچک است( در محدود هي چند صدکیلووات تا یک مگاوات). اینورتر درواقع واسط بین سیستم و ژنراتور است . ژنراتورها می توانند پن ل هاي فتوولتائیک ، سلول هاي سوختی، میکروتوربینها وغیره باشند . از آنجایی که این اینورتر است که با سیستم اصلی اتصال دارد، همه ي تولیدات پراکنده مشخصه عملکردي با توجه به تعامل توانایی IBDG . شبکه با اینورتر دارند که توسط ساختار و کنترل اینورتر تعیین می گردد
ادامه کار در جزیره رادارد، با این حال اینورترهاي تولید پراکنده قابل طراحی و برنامه ریزي براي شناسایی و کنترل شرایط جزیره هستند. روش هاي مخابراتی از ابزار ارتباطی براي بی برق کردن تولید پراکنده هنگام رخداد جزیره ، استفاده می کنند. کارایی آنها به نوع ژنراتور پراکنده بستگی ندارد.
دسته دوم، روش هاي تشخیص محلی هستند که بر اندازه گیري شکل موج هاي ولتاژ و تکیه دارند. به محض اینکه شاخص 4هاي استخراج شده از شکل موج DG جریان در محل پایانه 3 (ولتاژ یا جریان) از آستانه 5هاي معین تجاوز کند، شرایط جزیره تشخیص داده می شود.
روش هاي تشخیص محلی، خود به دو زیر شاخه تقسیم می شوند . دست ه ي اول، رو شهاي غی رفعال 6، که رخداد جزیره را تنها با پایش سیگنال هاي جریان و ولتاژ و یا ترکیبی از آنها آشکار
2- ج) می توان دید . رله هاي ولتاژي و - می کنند. رو شهاي پرکاربرد غیر فعال را در شکل ( 1 فرکانسی که با مقایسه ولتاژ یا فرکانس با آستانه هاي معین شبکه توزیع، پدیده جزیر ه را شناسایی می کنند، از رایجترین این روشها هستند. دسته ي دیگر رو ش ها، رو ش هاي تشخیص فعال است . چنین روش هایی، ابتدا اختلال هایی را به سیستم توزیع تزریق می کنند و با پایش نتایج این اختلال ها در محل تولید پراکنده در مورد شرایط جزیره تصمیم می گیرند. روش هاي فعال بیشتر در
تولیدات پراکند هي اینورتري کاربرد دارند، زیرا به دلیل ساختار آنها، اجراي چنین روش هایی در آنه ا
فعال، ج رو شهاي شناسایی غیرفعال
اگر چه بعضی از روش هاي شناسایی محلی در هر دو نوع ژنراتورهاي پراکنده کاربرد دارند، بیشتر آنها تنها در نوعی مشخص از تولیدات پراکنده قابل استفاده هستند . البته این موضوع در مورد رو شهاي شناسایی مخابراتی که در هر دو نوع تولید پراکنده قابل اجرا هستند، صادق نیست. همه رو شهاي شناسایی جزیره حداقل با یکی از محدودی تهاي زیر مواجه هستند:
- هزینه بالاي اجرا
-نیاز به هماهنگی بین صاحب تولید پراکنده و شبکه توزیع
- احتمال تشخیص اشتباه جزیره و متعاقبا قطع اشتباه تولید پراکنده و احتمال کاهش
قابلیت اطمینان شبکه توزیع
- احتمال عدم تشخیص جزیره در شرایطی معین
-احتمال کاهش کیفیت توان و پایداري ولتاژ و فرکانس در شبکه توزیع از آنجایی که روش هاي شناسایی جزیره کامل نیستند و ممکن است هزین ه های ی را به
شبکه و صاحبان تولیدات پراکنده تحمیل کنند، باید احتمال دقیق رخداد جزیره و خطراتی که این جزیره ناخواسته 1 براي امنیت افراد و شبکه قدرت ایجاد می کند محاسبه گردد.
یکی از محدودیت هاي اصلی روش هاي شناسایی محلی این است که هر کدام از آنها منطقه عملکردي دارند که شرایط جزیره را در زمان مطلوب شناسایی نم یکند . این ناحیه، ناحیه غیر قابل تشخیص 2 نام دارد. صدمه این منطقه به کارایی روش، در بعضی موارد قابل صرف نظر و در برخی چشمگیر است. براي روشن کردن اهمیت این موضوع از رله فرکانسی ، که رایج ترین روش در شناسایی جزیره در ژنراتورهاي سنکرون است به عنوان مثال استفاده م یکنیم.رله هاي فرکانسی، از فرکانس ولتاژ محلی اندازه گیري شده به عنوان معیاري براي بررسیجزیره استفاده می کند. می دانیم که وقتی یک فیدر به شبکه اصلی متصل است، فرکانس فیدر تقریباً ثابت می ماند. از سوي دیگر فرکانس فیدر جزیره شده م ی تواند مقادیر متفاوتی -وابسته به مقدار عدم تعادل توان اکتیو بین تولید و مصرف - در جزیره داشته باشد . تولید مازاد می تواند
. فرکانس را افزایش دهد و کمبود تولید منجر به کاهش آن شود 3
بنابراین اگر عدم تعادل زیادي در جزیره وجود داشته باشد ، روش شناسایی به سرعت جزیره را تشخیص می دهد. زمانی که عدم تعادل توان کم باشد، شناسایی جزیره زمان بیشتري نیاز دارد. در بدبینانه ترین حالت، اگر تولید و مصرف در جزیره خیلی نزدیک باشند، ممکن است رله در
این موضوع در مورد ژنراتور پراکنده سنکرون صحت دارد. در ژنراتور اینورتري به علت وجود نداشتن اینرسی توان اکتیو، این ولتاژ باراست که به توان اکتیو بستگی دارد.
تشخیص جزیره شکست بخورد. بنابراین منطقه غیر قابل تشخیص می تواند با استفاده از عدم تعادل توان در جزیره تعیین شود.
دو عامل می تواند به شدت بر سطح عدم تعادل توان در جزیره تاثیر بگذارد . عامل اول تغییرات روزانه بار فیدرها است. فیدرهاي بار تقریبا بین 20 ± درصد بار میانگین روزانه نوسان در جزیره است، که هر ترکیب جزیره سطوح بار متفاوت ی DG می کنند. عامل دوم ترکیبات مختلف دارد. ترکیب این دو عامل به سختی شرایط غیر قابل شناسایی شدت می بخشد . که در آنها عدم تعادل توان کوچک است و منجر به افزایش احتمال شناسایی نشدن جزیره م یگردد. این موضوع در
در این شکل تغییرات بار دو منحنی بار شبانه روزي دیده می شود . که هر کدام بیانگر شرایطی براي تشکیل جزیره است. فرض می شود که توان خروجی تولید پراکنده در طول شبانه روز ثابت است، بنابراین به صورت یک خط افقی در توان ثابت رسم می شود. محل تقاطع منحنی بار با و بار وجود ندارد . منطقه DG این خط افقی نقاطی را نشان می دهد که هیچ گونه عدم تعادلی بین غیر قابل تشخیص هاشور خورده است، هر مقدار باري که در این منطقه قرار گیرد، عملکرد ضعیفی از رله براي تشخیص جزیره به دنبال دارد. دیده می شود که در بازه هایی از زمان، تشخیص مناسب صورت نمی گیرد. اگر ترکیبات بیشتري از جزیره اضافه شود (یعنی منحنی تغییر بار متفاوت) ، این بازه هاي زمانی افزایش می یابند. در این طرح گرافیکی اهمیت ناحیه غیرقابل تشخیص به تصویر
کشیده شده است.
ناحیه غیر قابل تشخیص توسط روابط ریاضی و گراف ها قابل توصیف و تحلیل است . همچنین عوامل متعددي بر روي ناحیه قابل تشخیص تاثیر گذارند. این دو موضوع در فصل آینده به تفصیل بررسی و تحلیل می شوند.
در ادامه ي این فصل به بررسی و تحلیل روشهاي پیشنهاد شده در مقالات براي شناسایی پدید هي جزیره اي شدن می پردازیم.
-روشهايشناساییپدیدهيجزیرهايشدن
همانطور که پیشتر گفته شده، به صورت کلی دو دسته روش شناسایی پدید هي جزیره اي شدن وجود دارد: روشهاي از راه دور(مخابراتی) و روشهاي محلی. در ادامه روشهاي پیشنهاد شده در هرکدام از این گرو هها توضیح داده شد است.
-روشهايمخابراتی
روشهاي شناسایی از راه دور، با استفاده از تجهیزات مخابراتی موجود در سیستم هاي قدرت شکل می گیرند. اگرچه این روش هاي شناسایی به نوع تولید پراکنده وابسته نیستند،استفاده از آنها در تولیدات پراکنده سنکرون به صرفه تر است . این روش ها بسیار قابل اطمینانهستند، با این حال هزینه بالاي اجرا و دسترس پذیري غیر جامع سیستم هاي مخابراتی جذابیتاین رو شها را کاهش می دهد. به اختصار به دو روش مبتنی بر سیستمهاي مخابراتی اشاره می شود.
الف- روشقطعانتقالی
ایده اصلی این روش، پایش وضعیت تمام کلیدها و بازبستهایی است که می توانند جزیره را ایجاد کنند. وقتی باز شدن یک کلید باعث قطع اتصال با پست شود، الگوریتم مرکزي منطقه جزیره شده را تعیین می کند. سپس یک سیگنال براي قطع تولید پراکنده هاي موجود در جزیره ارسال
6]. اگر تعداد بازبست ها زیاد باشد و ساختار فیدر هم متغیر باشد، روش قطع انتقالی بسیار پیچیده ] می شود. نیاز به تجهیزات مخابراتی گسترده در تمام سطح شبکه توزیع، الگوریتم پیچیده در شبکه هاي با تعداد بازبست زیاد، نیاز به بروز شدن الگوریتم در شبکه هاي با توپولوژي متغیر و هزینه ي بالاي راه اندازي، این روش را کاملا غیر جذاب کرده است.
ب- روشارسالودریافتسیگنالبربسترخطوطقدرت 1
در این روش از خط قدرت به عنوان محمل ارسال سیگنال استفاده م یشود. سیگنال های ی سیگنال را DG ها ارسال می گردد. اگر آشکارساز در محل DG به صورت مستمر از پست به محل قطع م یشود . مولد سیگنال چندین ورودي DG حس نکند، جزیره شناسایی می شود و به سرعت می شود. این ویژگی خصوصا از این لحاظ DG کمکی دارد. هر کدام از این ورودي ها منجر به قطع مفید است که مدیریت شبکه برق می تواند از آن براي قطع تولیدات پراکنده در شرایطی که خطوط انتقال جزیره شده اند، استفاده کند. هرگونه قطع ارتباط در مسیر این سیگنال نشانی از جزیره شناسایی محلی ارائه می دهد. این روش همچنین دوعیب عمده دارد. مشکل اول هزینه بالاي مولد سیگنال است . اگر تعداد تولیدات پراکنده کم باشد، این هزینه زیاد است . مشکل دوم تداخل سیگنال هاي با کاربردهاي دیگر که از طریق خط قدرت انتقال می یابند است، مانند ارسال مقادیر اندازه گیري شده
و ارسال دستور. مشکل دیگر این روش، این است که قدرت سیگنال ارسالی توسط مولد سیگنال، تا رسیدن به آشکار ساز سیگنال در محل تولیدات پراکنده، تحت تاثیر پارامترهاي متعدد، به شدت آنچه در روشهاي مخابراتی بیش از دیگر روشها رخ می نماید، به صرفه نبودن اقتصادي آنهاست. الگوریتمهاي پیچیده، کاهش کیفیت توان، قبلیت اطمینان نسبتا پایین، در کنار معایب مذکور اقتصادي، نشان از عدم تکامل این روشها و نیاز آنها به تحقیقات گسترده تر در آینده است.
-روشهايمحلی
روشهاي تشخیص محلی، جزیره را بر اساس تحلیل شکل موجهاي جریان و ولتاژ در محل تولید پراکنده تشخیص م یدهند. این روشها خود به دو دسته غیر فعال و فعال تقسیم م یشوند.
-روشهايغیرفعال
روش غیر فعال 1 تنها بر اساس پایش شکل موجهاي ولتاژ و جریان تصمیم بر قطع یا ادامه کار تولید پراکنده می گیرد. شناسایی جزیره بر اساس آستانه هایی معین، که شرایط جزیره و طبیعی را مجزا می کند انجام می گیرد. روش هاي غیر فعال سریع هستند وتداخلی به سیستم وارد نمی کنند . اما ناحیه غیرقابل تشخیص بزرگی دارند و تعیین مقادیر آستانه معیارهاي شناسایی آنها، عملیاتی پردردسر است.
الف) روشهايغیرفعالفرکانسیبرايتولیداتپراکندهسنکرون 1
روش هاي مبتنی بر فرکانس رایج ترین رو شهاي غیرفعال در تشخیص جزیره در ژنراتورهاي سنکرونهستند می دانیم وقتی که در یک سیستم قدرت تولید و مصرف عدم تعادل زیادي دارند، فرکانس سیستم تغییر خواهد کرد. میزان این تغییرات به نوع تولید پر اکنده و بار بستگی دارد. با توجه به اینکه فرکانس در زمان برقرار بودن اتصال فیدر به سیستم قدرت مقداري ثابت است، با پایش کردن مقدار یا نرخ تغییرات فرکانس می توان جزیره را شناسایی کرد . روشهاي متعددي بر اساس این ایده تا به حال طراحی شده و ساخته شده اند.
قواعدعملکرد
تا به حال سه دسته روش براي تشخیص جزیره بر مبناي فرکانس پیشنهاد شده است.
رله هاي فرکانسی
رله هاي نرخ تغییرات فرکانسی
رله هاي پرش بردار 3
1)رلههايفرکانسیساده
رله هاي فرکانسی، فرکانس شکل موج ولتاژ ترمینال خروجی تولید پراکنده را محاسبه می کنند. رله بر اساس عبور فرکانس از مرزهاي کم فرکانس 4 و اضافه فرکانس 5، تولید پراکنده قط هرتز / 49 و 3 / می کند . به عنوان مثال در ایران نرخ قابل قبول فرکانس در سیستم توزیع بین 7 قرار دارد. بنابراین هرگونه عدم تعادل بین تولید و مصرف که فرکانس سیستم جزیره شده را بیش هرتز تغییر دهد، منجر به شناسایی جزیره می شود. در شرایط جزیره اي که عدم تعادل توان / از 3 منجر به تغییر فرکانسی کمتر از این مقدار شود، جزیره قابل شناسایی نخواهد بود. این وابستگی به مقدار عدم تعادل توان، عیب اصلی روش فرکانسی ساده است
2)رلههاينرختغییرفرکانسی 1 یا روکوف
این رله ها نرخ تغییرات فرکانس را پایش می کنند و مادامیکه این تغییرات در محدود ه ي مجاز قرار بگیرد، ژنراتور پراکنده در شرایط کار عادي به عملکرد خود ادامه می دهد. تنظیمات رایج هرتز بر ثانیه است. یک ویژگی / 1 تا 1 / هاي نصب شده در شبکه قدرت 50 هرتز بین 2 ROCOF دیگر این رل هها تابع قفل کردن 2 در زمان کاهش ولتاژ از حد آستانه است. اگر ولتاژ ترمینال از مقدار کمتر شود، سیگنال قطع قفل م یشود. این موضوع براي اجتناب از عملکرد رله در Vmin آستانه زمان هاي شروع کار ژنراتور 3 و یا اتصال کوتاه است . رابطه نرخ تغییرات فرکانس بر حسب
ب) روشهايغیرفعالبرايتولیدپراکندهاینورتري
عملکرد، کنترل و حفاظت سیستمهاي تولید پراکنده اینورتري با سیستمهاي تولید پراکنده سنکرون تفاوتهاي عمده اي دارند. این تفاوت در موضوعهاي متفاوتی از جمله روش شناسایی و حفاظت در برابر جزیره برجسته تر است. محدوده تولید این ژنراتو رها از کمتر از یک کیلووات تا چند مگاوات است. همچنین به واسطه مسائل اقتصادي، تولیدات پراکنده اینورتري کوچک، از عواملی مانند تست هاي در محل براي بر خوردار نیستند. در 15 سال اخیر، روشهاي تشخیص جزیره براي تولیدات پراکنده اینورتري مورد توجه زیادي قرار گرفته اند. بیشتر تحقیقات بر روي تولیدات پراکنده اینورتري با کاربرد براي سیستمهاي خورشیدي است. اما نتایج آنها براي اینورترهایی که در دیگر تکنولوژي هاي تولید پراکنده به کار می روند، هم کاربرد دارد. روش هاي غیر فعال تشخیص جزیره براي اینورتر ها، مشابه با روشهاي غیر فعال براي ژنراتورهاي سنکرون است. آنها ولتاژ را در خروجی اینورتر پایش می کنند و تغییر در یک پارامتر معین (مانند فرکانس یا ولتاژ) را علامت جزیره می دانند. از آنجایی که اینورترها به صورت خودکار و براي اهداف کنترلی به پایش ولتاژ خروجی خود می پردازند، اضافه کردن عملیات حفاظتی به میکروپروسسور اینورترنیاز به سخت افزار اضافی چندانی ندارد.
1) تشخیصتوسطرلههايسادهولتاژيوفرکانسی:
در هنگام جزیره، عدم تعادل توان بین توان خروجی اینورتر و بار مصرفی (اکتیو و راکتیو)، منجر به تغییر در فرکانس و ولتاژ می شود، که در صورت بزرگ بودن عدم تعادل، فرکانس و ولتاژ به خارج از مرزهاي تعریف شده منحرف می شوند و جزیره شناخته می شود. با این حال این روشها توانایی تشخیص جزیره در شرایطی که خروجی اینورتر نزدیک به بار مصرفی است ندارد. زیرا انحراف ولتاژ و فرکانس براي عبور از آستانه هاي ولتاژ فرکانس ناکافی است.
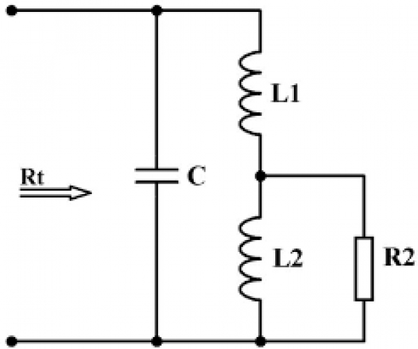
2) روشتشخیصپرشفازولتاژ 1
دلیل استفاده از این روش، جابجایی فاز و حرکت آن به سمت فاز بار محلی در هنگام براي شناسایی جزیره در ، Vector Surge و ROCOF جزیره است. این روش، مشابه روش هاي ژنراتورهاي سنکرون است. سیستم کنترل اینورتر فاز بین ولتاژ و جریان را پایش می کند. سیستم کنترل اینورتر غالباً جریان خروجی را به صورتی تولید میکند، که اختلاف فاز جریان و ولتاژ اندك ضریب توان واحد) باشد. تغییري ناگهانی در فاز، نشان می دهد شبکه توزیع ولتاژ ترمینال اینورتر را کنترل نمی کند.
اگر در زمان رخداد جزیره، فاز بار، با اختلاف فاز ولتاژ و جریان اینورتر یکسان باشد (بار نزدیک به بار مقاومتی کامل باشد)، پرشی در فاز رخ نمیدهد و بنابراین جزیره شناسایی نمیگردد.. اگر بخواهیم ناحیه ي غیر قابل تشخیص از روشهاي رایج ولتاژي و فرکانسی کوچکتر باشد، آستانه اندازه فاز پرشی باید در حد چند درجه باشد. پرش فازي دراین حد، در شرایط گذراي سیستم توزیع و یا بار محلی هم رخ می دهد (مثلاً حالت گذراي روشن کردن موتور). بنابراین بین عملکرد نادرست در شرایط رخ ندادن جزیره و عمل نکردن درست درشرایط جزیره، باید از لحاظ مختلف مصالحه اي انجام گیرد.
3) شناساییبهروشتغییردرهارمونیکها 1
در این روش سیستم اندازه گیري اعوجاج هارمونیکی کلِ ولتاژ ترمینال اینورتر را پایش میکند و اگر از مقدار حدي بیشتر شد، سیستم حفاظتی اینورتر را قطع می کند. این موضوع بر این اصل استوار است که در شرایط کار عادي، شبکه توزیع به صورت یک منبع امپدانس پایین کار وقتی جزیره شکل . (THD≈ می کند و بنابراین اعوجاج ولتاژ در ترمینال اینورتر کم است ( 0 میگردد. اول اینکه امپدانس ترمینال اینورتر افزایش THD می گیرد، دو عامل منجر به افزایش می یابد، زیرا شبکه اصلی جدا شده و تنها بار محلی باقی مانده است. نتیجتاً جریان هاي هارمونیکی خروجی اینورتر منجر به افزایش اعوجاج هارمونیکی ولتاژ میشوند (در اثر افت ولتاژ بیشتر). دوم بارهاي غیر خطی در جزیره هستند، مخصوصاً ترانسفورماتورهاي توزیع کاهنده که دراثر جریان خروجی اینورتر تحریک می شوند. پاسخ ولتاژ به تحریک بار غیر خطی توسط جریان، به شدت معوج خواهد بود.
این روش ناحیه غیر قابل تشخیص کوچکی دارد، با این حال این روش از عیبی مشابهکه همزمان حفاظت جزیره THD روش پرش فاز ولتاژ رنج می برد، یعنی تعیین مقدار آستانهمناسب ارائه کند، اما منجر به قطع اشتباه نشود مشکل است. در استانداردهاي کیفیت توان،داشته باشند. این موضوع (THD< اینورترهاي متصل به شبکه باید جریان هارمونیکی کوچک (% 5 بزرگتر از 5 THD در طراحی اینورترها دیده میشود. با این حال، ولتاژ شبکه توزیع، ممکن استدرصد براي شبکه اي با بارهاي غیر خطی بزرگ و یا خطوط با امپدانس بالا داشته باشد. علاوه براین، ممکن است سطح اعوجاج سریعاً تغییر کند، به این دلیل که بارهاي غیر خطی وارد یا خارجکه هم اعوجاج جریان خروجی اینورتر و هم THD می شوند. بنابراین تنظیم آستانه اي براياعوجاج قابل قبول شبکه توزیع کم باشد، مشکل است. مشکل عملی دیگر این است که دراستفاده می شود و اجازه تاثیر بارهاي غیر خطی RLC آزمایشهاي استاندارد جزیره، از بارهاي خطی بر روي شبکه داده نمی شود.
4) تشخیصجزیرهتوسطروشهايمبتنیبرتبدیلموجک1
در این قسمت، روشی مبتنی بر تبدیل موجک براي شناسایی پدیده جزیره در تولیدات پراکنده، پیشنهاد می شود. تبدیل موجک به شکل موج هاي حوزه زمان اعمال می شود و جزیره را به صورت موثر تشخیص می دهد[ 10
ویژگی هاي اصلی روش در زیر می آید.
-1 این روش باعث بهبود قابلیت هاي شناسایی جزیره، در رله هاي حفاظتی می گردد.
-2 به این علت که اطلاعات فرکانسی و زمانی به طور همزمان پایش می شود، قدرت روشبراي شناسایی جزیره بالا است.
-3 افزایش تعداد تولیدات پراکنده بر روي این روش تاثیري ندارد.
-4 روش به سادگی قابل برنامه ریزي است.
فرکانس (VD و FD ) ،Ac 8)، عناوین فلوچارت محاسباتی را نشان می دهد، که در آن - شکل ( 2 و ولتاژ تجزیه شده هستند. وقتی این دو پارامتر، از آستانه هاي خود عبور کردند، جزیره شناسایی می شود. در این آزمایش، در لحظه 50 میلی ثانیه جزیره شکل می گیرد. به دنبال قطع شبکه، عدم پیشنهادي بررسی می گردد.
در این شکل ها، هم ولتاژ و هم فرکانس شناسایی شده بعد از رخداد جزیره، بزرگمی شوند و جزیره شناسایی می شود. همچنین این روش با تعیین مقادر مناسب آستانه، توانایی تمیزدادن بین رخدادهاي طبیعی سیستم قدرت و حالت جزیره اي را دارد. با این حال کارایی این روشبراي مقادیر عدم تعادل توان راکتیو کمتر است. به عبارت دیگر تعیین یک آستانه ي معین برايکه هم قابلیت شناسایی عدم تعادل توان اکتیو و هم عدم تعادل توان راکتیو را داشته Ac ، پارمترباشد، چالش اساسی این روش است. همچنین نیاز به فرکانس نمونه برداري بسیار بالا، برايسیستم کنترل ساده اینورتر، هزینه هاي گزاف و بی جایی را اضافه می کند . روشهاي هوشمند ازقبیل روشهاي فازي و روشهاي مبتنی بر شبکه هاي عصبی نیز از این دسته از روشها به حساب می آیند.











